XC系列圓形電連接器(航空插頭)

XC系列圓形電連接器(航空插頭)
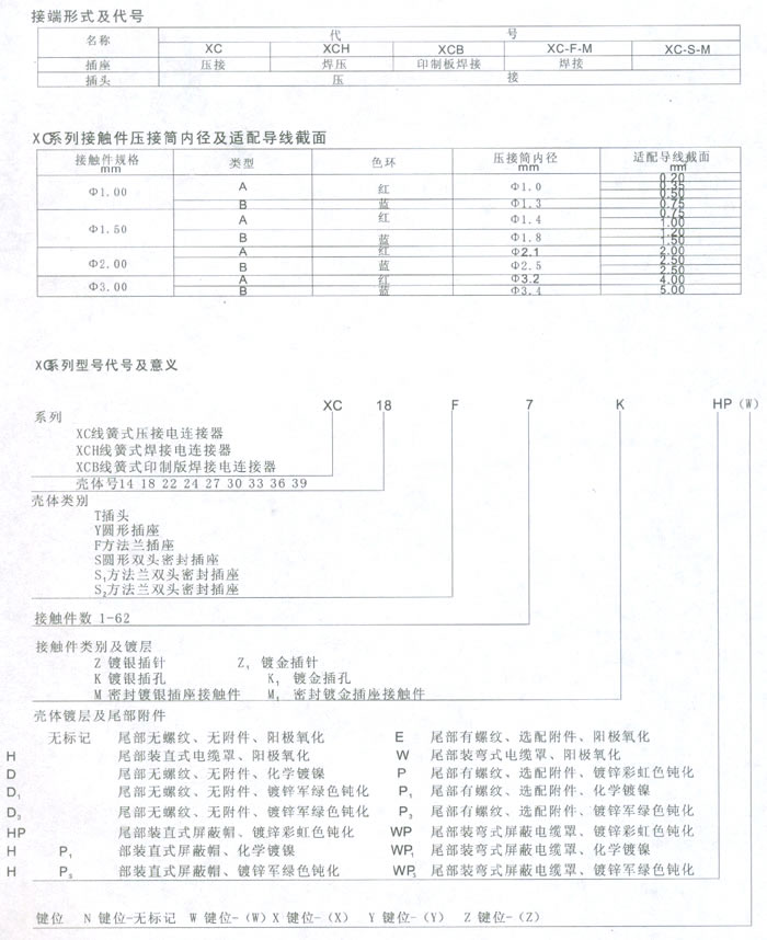
(一)、簡介: XC系列圓形電連接器(航空插頭)為低頻類電連接器。九種殼體號;4種接觸件規格;32種孔位排列。從1孔到62孔。采用卡口式快速連接系統,操作方便,連接可靠,耐振動,抗沖擊。五鍵槽定位,具有盲插和防誤插功能。高可靠的雙曲面線簧孔使連接器插拔柔和,接觸電阻小,工作可靠。插座共有五種結構形式選用。符合國家軍用標準GJB2889。廣泛用于航天,航空,航海、鐵路、野戰通訊及各種儀器、儀表等設備中。 (二)、XC系列圓形電連接器(航空插頭)主要技術性能: 1、環境技術性能 工作溫度:–55℃~+200℃ 相對濕度:40℃時達95﹪ 工作高度:海拔30000m 振動:頻率10Hz~2000Hz,加速度147m/s2 沖擊:加速度490m/s2 恒加速度:490m/s2 氣密性:雙頭密封插座50.7 Kpa方法蘭密封插座152 KPa 防潮濕、防鹽霧、防霉菌等性能均符合GJB2889標準要求。 2、電氣性能 接觸電阻及額定電流:
|
接觸件規格(㎜) |
接觸電阻(mΩ) |
雙頭密封接觸電阻(mΩ) |
接觸電阻(mΩ) |
額定電流(A) |
|
¢1.0 |
≤5 |
10 |
15 |
5 |
|
¢1.5 |
≤2.5 |
5 |
7.5 |
10 |
|
¢2.0 |
≤1.25 |
2.5 |
3.75 |
20 |
|
¢3.0 |
≤0.7 |
1.5 |
2.25 |
40 | 外殼間電連續性鋁合金外殼≤2.5mΩ 額定電壓、耐電壓及絕緣電阻:
|
工作環境 |
工作環境 V |
耐電壓 V |
絕緣電阻 |
|
密封 |
非密封 |
密封 |
非密封 |
m Ω |
|
常溫常壓 |
500 |
500 |
150 |
1500 |
≥ 5000 |
|
濕熱 |
500 |
500 |
750 |
1125 |
≥ 100 |
|
高溫 |
— |
— |
— |
— |
≥ 1000 |
|
低氣壓 (1 Kpa) |
150 |
250 |
300 |
300 |
— | 3、機械性能 殼體:高強度鋁合金材料 非屏蔽鍍層:陽極氧化著色 屏蔽鍍層:鍍鋅彩虹色鈍化或軍綠色鈍化、化學鍍鎳 絕緣體:熱固性材料 封線體和密封圈:硅橡膠材料 接觸件:銅合金材料鍍層金、銀 壓接型:從絕緣體后裝卸,焊接與印制板型不可裝卸 機械壽命:≥1000次



 更多詳情請咨詢:http://www.bjzztd.com |