

| · | 地 址: | 江蘇 泰興市大生鎮工業園 |
| · | 電 話: | (0)15052857428 |
| · | 網 址: | http://www.bjzztd.com |
YP系列圓形電連接器(航空插頭)
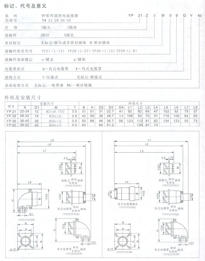
一、YP系列圓形電連接器(航空插頭)簡介 本系列航空插頭根據用戶的需求而開發,集Y2系列與P型電連接器的優點和功能,具有Y2的卡口式連接結構,采用P型連接器的接觸件排列型譜。該系列產品具有體積小,重量輕,接點型譜廣,快速分離之特點。 二、YP系列圓形電連接器(航空插頭)主要技術性能1、環境技術性能
額定電壓、耐電壓及絕緣電阻:
壓接式針孔軸向負荷參照Y2系列 接觸件壓接筒內徑與適配導線截面參照Y2系列 3、機械性能: 殼體:鋁合金壓鑄件 鍍層:鍍砂鎳、噴漆 絕緣體:耐熱熱塑性或熱固體材料 接觸件:銅合金材料 鍍層金、銀 機械壽命:500次 ![]() ![]() ![]() ![]() ![]() 更多詳情請咨詢:http://www.bjzztd.com | |||||||||||||||||||||||||||||||||||||||||
| 錄入時間:2012-5-20 5:31:45 【打印此頁】 【關閉】 |
| 版權所有 泰興市航空電連接器有限公司 地址:中國 江蘇 泰興市大生鎮工業園 手機:(0)15052857428 網址:http://www.bjzztd.com/ |