|
YGD系列圓形電連接器
 特點簡介 ■采用卡口連接,接觸件端接形式為焊接,插孔接觸件為冠簧插孔 ■產品具有快速鏈接和分離,耐環境好、可靠性高等特點。 ■適用于大電流電源系列連接。 ■符合GJB5371-2005《YGD系列圓形電源連接器通用規范》。 技術特性 工作溫度:-55℃~125℃。 相對濕度:90%~98%。 工作欺壓:4.39Kpa~101.33Kpa 鹽 霧:N類、H類48H,R類、B類96h。 密 封 性: 插 座:壓差1.01×103Pa,歷時1min無氣泡漏泄; 頭座插合:1.8m水深48h不滲水。 振 動:10Hz~2000Hz,196m/s2,瞬斷≤1μs。 沖 擊:980m/s2,瞬斷≤1μs。 機械壽命:連接環材料為鋁合金≥500次,連接環材料為銅合金≥2000次。 絕緣電阻:
|
常態下(MΩ) |
高溫(MΩ) |
潮溫(MΩ) |
|
5000 |
100 |
100 | 工作電流與接觸電阻:
|
接觸件號 |
插合端直徑 Mm |
額定工作工作電流 A |
最大接觸電阻 MΩ |
|
初始值 |
壽命試驗后 |
|
20 |
1.02±0.03 |
7.5 |
7 |
8.5 |
|
16 |
1.588±0.025 |
13 |
3.7 |
4.5 |
|
12 |
2.39±0.03 |
23 |
1.8 |
2.2 |
|
10 |
3.18±0.03 |
33 |
1.0 |
1.2 |
|
8 |
3.61±0.03 |
46 |
0.5 |
0.7 |
|
6 |
4.52±0.03 |
60 |
0.4 |
0.5 |
|
4 |
5.72±0.03 |
80 |
0.25 |
0.35 |
|
2 |
7.19±0.03 |
100 |
0.17 |
0.21 |
|
注:壽命試驗指有關溫度沖擊、機械壽命、鹽霧、高溫壽命及探針損傷等試驗。 | 工作電壓和耐電壓:
|
連接器接觸件 孔位排列代號 |
額定工作電壓(V) |
耐電壓(V) |
|
海平面 |
海拔高度21336m |
海平面 |
海拔高度21336m |
|
0802、0803、0804 |
600 |
300 |
1500 |
375 |
|
1002、1003、1202、1203、 1204a、1204b、1404b、1405、 1602、1603、1604、1605、 1802、1803、1804、2202、 2203、2204、2402、2403、 2802、2803、2804、3204、 |
1000 |
450 |
2300 |
500 | 型號命名

 連接器分類
|
序號 |
分類特征 |
分類內容 |
標志代號 |
|
1 |
連接器類別 |
電源連接器 |
YGD |
|
2 |
連接器類別 |
方形法蘭盤安裝非屏蔽固定連接器 |
10 |
|
方形法蘭盤安裝屏蔽固定連接器 |
20 |
|
螺母安裝非屏蔽固定連接器 |
14 |
|
螺母安裝屏蔽固定連接器 |
24 |
|
非屏蔽自由連接器 |
16 |
|
屏蔽自由連接器 |
26 |
|
3 |
表面處理方式 |
黑色陽極氧化,非導電外殼 |
R |
|
化學鍍暗鎳,導電外殼 |
N |
|
電鍍鎘,導電外殼 |
B |
|
電鍍黑烙,導電外殼 |
H |
|
4 |
外殼號 |
連接器外殼代號 |
08、11、12、… |
|
5 |
接觸件孔位排列號 |
接觸件孔位排列代號 |
數字(+字母) |
|
6 |
接觸件類型 |
插針接觸件 |
J |
|
插孔接觸件 |
K |
|
7 |
尾部附件 |
結構形式 |
數字 |
|
8 |
定位鍵位置 |
鍵(或鍵槽)角度 |
N、A、B、C、D、E |
|
9 |
電纜直徑 |
Φ數字 |
電纜直徑大小 | 絕緣體孔位排列(從插合面看插針絕緣體孔位)
 定位鍵位置

|
外殼號碼 |
鍵及鍵槽排列識別字母 |
AR°或AP° |
BR°或BP° |
CR°或CP° |
DR°或DP° |
|
8 |
N |
95 |
141 |
208 |
236 |
|
A |
102 |
132 |
248 |
320 |
|
B |
80 |
118 |
230 |
312 |
|
E |
91 |
131 |
197 |
240 |
|
10、12、14 |
N |
95 |
141 |
208 |
236 |
|
A |
113 |
156 |
182 |
292 |
|
B |
90 |
145 |
195 |
252 |
|
C |
53 |
156 |
220 |
255 |
|
D |
119 |
146 |
176 |
298 |
|
E |
51 |
141 |
184 |
242 |
|
16 |
N |
80 |
142 |
196 |
293 |
|
A |
135 |
170 |
200 |
310 |
|
B |
49 |
169 |
200 |
244 |
|
C |
66 |
140 |
200 |
257 |
|
D |
62 |
145 |
180 |
280 |
|
E |
79 |
153 |
197 |
272 |
|
18 |
N |
105 |
140 |
215 |
265 |
|
A |
135 |
170 |
200 |
310 |
|
B |
49 |
169 |
200 |
244 |
|
C |
66 |
140 |
200 |
257 |
|
D |
62 |
145 |
180 |
280 |
|
E |
79 |
153 |
197 |
272 |
|
22、24、28、32 |
N |
80 |
142 |
196 |
293 |
|
A |
135 |
170 |
200 |
310 |
|
B |
49 |
169 |
200 |
244 |
|
C |
66 |
140 |
200 |
257 |
|
D |
62 |
145 |
180 |
280 |
|
E |
79 |
153 |
197 |
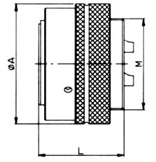
272 | 外形尺寸及安裝尺寸 自由連接外形尺寸

|
殼體號 |
A |
M |
L(參考) |
|
08 |
21.00 |
M14×1.0(左) |
25.50 |
|
10 |
24.50 |
M16×1.0(左) |
|
12 |
26.50 |
M20×1.0(左) |
|
14 |
31.00 |
M22×1.0(左) |
|
16 |
32.00 |
M25×1.0(左) |
|
18 |
35.50 |
M27×1.0(左) |
|
22 |
44.50 |
M35×1.5(左) |
28.50 |
|
24 |
49.00 |
M38×1.5(左) |
30.50 |
|
28 |
53.50 |
M42×1.5(左) |
|
32 |
59.50 |
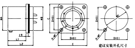
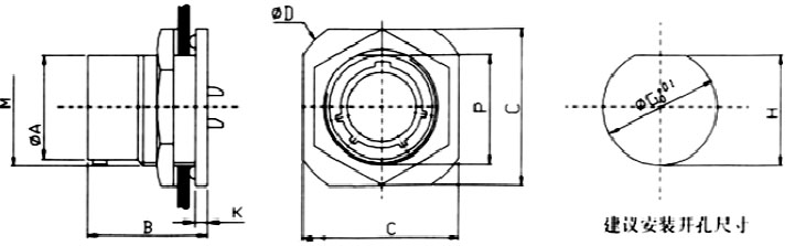
M48×1.5(左) | 方形法蘭盤安裝固定連接器外形及安裝開孔尺寸
 螺母安裝固定連接器

|
殼體號 |
A |
B |
C |
D |
P |
K |
G |
H |
M |
|
08 |
12.04 |
23 |
23.94 |
26.94 |
13.00 |
2.5 |
14.20 |
13.20 |
M14×1.0 |
|
10 |
15.01 |
26.94 |
30.14 |
16.90 |
18.20 |
17.20 |
M18×1.0 |
|
12 |
19.07 |
31.74 |
34.94 |
20.70 |
22.20 |
20.90 |
M22×1.0 |
|
14 |
22.25 |
34.94 |
38.04 |
23.80 |
25.20 |
24.00 |
M25×1.5 |
|
16 |
25.43 |
38.24 |
41.24 |
26.80 |
28.20 |
27.00 |
M28×1.5 |
|
18 |
28.60 |
41.34 |
44.44 |
30.50 |
32.20 |
30.70 |
M32×1.5 |
|
22 |
34.95 |
49.24 |
52.24 |
36.70 |
3.5 |
38.20 |
36.90 |
M38×1.5 |
|
24 |
38.13 |
25 |
52.74 |
55.54 |
40.50 |
42.20 |
40.70 |
M42×1.5 |
|
28 |
41.81 |
55.00 |
58.00 |
4350 |
45.20 |
43.70 |
M45×1.5 |
|
32 |
48.25 |
62.00 |
65.00 |
50.00 |
52.20 |
50.20 |
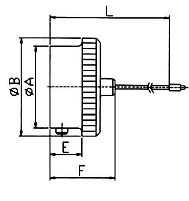
M52×1.5 | 附件 尾部附件 1)直式屏蔽電纜密封式尾部附件
|
殼體號 |
A |
電纜直徑 |
L(參考) |
|
08 |
18 |
5 |
35 |
|
6 |
|
7 |
|
10 |
22.5 |
5 |
40 |
|
6 |
|
7 |
|
8 |
|
12 |
24.5 |
7 |
|
8 |
|
9 |
|
10 |
|
4 |
29 |
8 |
|
9 |
|
10 |
|
11 |
|
12 |
|
16 |
30 |
8 |
|
9 |
|
10 |
|
11 |
|
12 |
|
18 |
33 |
10 |
|
12 |
|
13 |
|
15 |
|
22 |
42.5 |
13 |
45 |
|
15 |
|
17 |
|
24 |
46 |
13 |
|
15 |
|
17 |
|
28 |
50.5 |
17 |
|
20 |
|
32 |
56.5 |
17 |
50 |
|
20 | 2)直式電纜夾線夾式尾部附件

|
殼體號 |
A |
電纜直徑 |
L(參考) |
|
08 |
18 |
5 |
35 |
|
6 |
|
7 |
|
10 |
22.5 |
5 |
40 |
|
6 |
|
7 |
|
8 |
|
12 |
24.5 |
7 |
|
8 |
|
9 |
|
10 |
|
14 |
29 |
8 |
|
9 |
|
10 |
|
11 |
|
12 |
|
16 |
30 |
8 |
|
9 |
|
10 |
|
11 |
|
12 |
|
18 |
33 |
10 |
|
12 |
|
13 |
|
15 |
|
22 |
42.5 |
13 |
45 |
|
15 |
|
17 |
|
24 |
46 |
13 |
|
15 |
|
17 |
|
28 |
50.5 |
17 |
|
20 |
|
32 |
56.5 |
17 |
50 |
|
20 | 3)直式屏蔽電纜密封夾線式尾部附件
 
|
殼體號 |
A |
電纜直徑 |
L(參考) |
|
08 |
18 |
5 |
40 |
|
6 |
|
7 |
|
10 |
22.5 |
5 |
45 |
|
6 |
|
7 |
|
8 |
|
12 |
24.5 |
7 |
|
8 |
|
9 |
|
10 |
|
14 |
29 |
8 |
|
9 |
|
10 |
|
11 |
|
12 |
|
16 |
30 |
8 |
|
9 |
|
10 |
|
11 |
|
12 |
|
18 |
33 |
10 |
|
12 |
|
13 |
|
15 |
|
22 |
42.5 |
13 |
50 |
|
15 |
|
17 |
|
24 |
46 |
13 |
|
15 |
|
17 |
|
28 |
50.5 |
17 |
|
20 |
|
32 |
56.5 |
17 |
55 |
|
20 |   4)彎式電纜尾部附件
|
殼體號 |
A |
電纜直徑 |
L(參考) |
|
08 |
18 |
5 |
35 |
|
6 |
|
7 |
|
10 |
22.5 |
5 |
40 |
|
6 |
|
7 |
|
8 |
|
12 |
24.5 |
7 |
|
8 |
|
9 |
|
10 |
|
14 |
29 |
8 |
|
9 |
|
10 |
|
11 |
|
12 |
|
16 |
30 |
8 |
|
9 |
|
10 |
|
11 |
|
12 |
|
18 |
33 |
10 |
|
12 |
|
13 |
|
15 |
|
22 |
42.5 |
13 |
45 |
|
15 |
|
17 |
|
24 |
46 |
13 |
|
15 |
|
17 |
|
28 |
50.5 |
17 |
|
20 |
|
32 |
56.5 |
17 |
|
20 |   5)彎式電纜夾線式尾部附件
|
殼體號 |
A |
電纜直徑 |
L(參考) |
|
08 |
18 |
5 |
35 |
|
6 |
|
7 |
|
10 |
22.5 |
5 |
40 |
|
6 |
|
7 |
|
8 |
|
12 |
24.5 |
7 |
|
8 |
|
9 |
|
10 |
|
14 |
29 |
8 |
|
9 |
|
10 |
|
11 |
|
12 |
|
16 |
30 |
8 |
|
9 |
|
10 |
|
11 |
|
12 |
|
18 |
33 |
10 |
|
12 |
|
13 |
|
15 |
|
22 |
42.5 |
13 |
45 |
|
15 |
|
17 |
|
24 |
46 |
13 |
|
15 |
|
17 |
|
28 |
50.5 |
17 |
|
20 |
|
32 |
56.5 |
17 |
|
20 |   6)彎式電纜屏蔽夾線式夾尾部附件
|
殼體號 |
A |
電纜直徑 |
L(參考) |
|
08 |
18 |
5 |
35 |
|
6 |
|
7 |
|
10 |
22.5 |
5 |
40 |
|
6 |
|
7 |
|
8 |
|
12 |
24.5 |
7 |
|
8 |
|
9 |
|
10 |
|
14 |
29 |
8 |
|
9 |
|
10 |
|
11 |
|
12 |
|
16 |
30 |
8 |
|
9 |
|
10 |
|
11 |
|
12 |
|
18 |
33 |
10 |
|
12 |
|
13 |
|
15 |
|
22 |
42.5 |
13 |
45 |
|
15 |
|
17 |
|
24 |
46 |
13 |
|
15 |
|
17 |
|
28 |
50.5 |
17 |
|
20 |
|
32 |
56.5 |
17 |
|
20 |  
 注:尾部附件若與插頭的訂購數量相同,可直接在型號后面加尾部附件代號,若與插頭的訂購數量不同,則需單獨訂購。 金屬防水蓋 1)插頭防水蓋 2)插座防水蓋 更多詳情請咨詢:http://www.bjzztd.com |