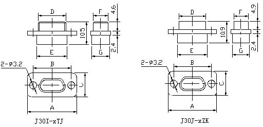
產品特點簡介 接觸件尾端與導線的端接方式為壓接式; 此類產品可按用戶的要求進行導線的布排,尾端可壓接線芯截面積為0.07~0.15mm2,在此范圍內可使用不同顏色的導線、屏蔽線或其他種類適當規格的的導線。 產品外形尺寸
 產品對接后外形圖

|
訂貨標志 |
A |
B |
C |
D |
E |
F |
G |
|
J30J-9TJ |
19.6 |
14.3 |
7.6 |
8.3 |
9.9 |
4.7 |
6.8 |
|
J30J-15TJ |
23.5 |
18.2 |
7.6 |
12.3 |
13.8 |
4.7 |
6.8 |
|
J30J-21TJ |
27.4 |
22 |
7.6 |
16 |
17.6 |
4.7 |
6.8 |
|
J30J-25TJ |
29.8 |
24.5 |
7.6 |
18.6 |
20.2 |
4.7 |
6.8 |
|
J30J-31TJ |
33.6 |
28.3 |
7.6 |
22.4 |
24 |
4.7 |
6.8 |
|
J30J-37TJ |
37.4 |
32.2 |
7.6 |
26.3 |
27.8 |
4.7 |
6.8 |
|
J30J-51TJ |
36.4 |
30.86 |
8.7 |
25 |
26.6 |
5.8 |
7.9 |
|
J30J-66TJ |
42.9 |
37.3 |
8.7 |
31.4 |
33 |
5.8 |
7.9 |
|
J30J-74TJ |
38.8 |
33.5 |
9.7 |
27.5 |
29.1 |
6.8 |
9.1 |
|
J30J-100TJ |
54.7 |
45.7 |
9.7 |
35 |
36.6 |
6.8 |
9.1 |
|
J30J-9ZK |
19.6 |
14.3 |
7.6 |
9.8 |
9.9 |
6.1 |
6.8 |
|
J30J-15ZK |
23.5 |
18.2 |
7.6 |
13.7 |
13.8 |
6.1 |
6.8 |
|
J30J-21ZK |
27.4 |
22 |
7.6 |
17.4 |
17.6 |
6.1 |
6.8 |
|
J30J-25ZK |
29.8 |
24.5 |
7.6 |
20 |
20.2 |
6.1 |
6.8 |
|
J30J-31ZK |
33.6 |
28.3 |
7.6 |
23.8 |
24 |
6.1 |
6.8 |
|
J30J-37ZK |
37.4 |
32.2 |
7.6 |
27.7 |
27.8 |
6.1 |
6.8 |
|
J30J-51ZK |
36.4 |
30.86 |
8.7 |
26.5 |
26.6 |
7.2 |
7.9 |
|
J30J-66ZK |
42.9 |
37.3 |
8.7 |
32.9 |
33 |
7.2 |
7.9 |
|
J30J-74ZK |
38.8 |
33.5 |
9.7 |
29 |
29.1 |
8.3 |
9.1 |
|
J30J-100ZK |
54.7 |
45.7 |
9.7 |
36.6 |
36.65 |
8.2 |
9.1 | 安裝開孔尺寸 產品的安裝開孔尺寸見“J30J系列產品安裝開孔尺寸”。 更多詳情請咨詢:http://www.bjzztd.com |
| 錄入時間:2012-2-11 9:26:12 【打印此頁】 【關閉】 |