 產品名稱: YW1系列小圓形快速分離電連接器
產品編號: 14
產品介紹:
|
|
1、用途 YW1系列小圓型快速分離電連接器應用于各種電子儀器,電氣設備之間的電路連接。
2、結構特點 本系列產品采用卡口鎖緊。快速插合與分離,使用、裝拆電纜方便,接觸可靠。
3、連接與分離
連接時,先將插頭上的鍵槽與插座上的槽對準后,將插頭插入插座,順時針旋轉卡帽,直至感覺有卡釘落入螺旋槽槽孔的震動感或發出“咔嚓”聲為止,并檢查卡帽是否在到位指示處或卡釘是否進入槽孔。分離時,稍向前推卡帽,并逆時針旋轉卡帽,然后順勢向后拉開即可分離。
4、使用環境條件 環境溫度:-55~+125℃ 相對濕度:40±2℃時相對濕度90~95% 工作氣壓:101.33KPa~4.39KPa 正弦振動:10~2000Hz 加速度:980m/s2 沖 擊:加速度980m/s2
5、主要技術指標
(1)工作電流及接觸電阻
|
插針直徑
(mm) |
與接觸對尾部配對連接的導線芯線最大直徑 |
工作電流
(A) |
接觸電阻
(MΩ) |
|
φ0.8 |
φ1 |
2 |
≤12.5 |
|
φ1.5 |
φ2 |
10 |
≤2.5 |
|
φ6 |
φ6 |
100 |
≤0.3 |
(2) 絕緣電阻
|
規格型號 |
標準大氣條件下 |
高溫條件 |
|
YW1-1 |
5000MΩ |
500MΩ |
|
YW1-3 |
|
YW1-7 |
1000MΩ |
200MΩ |
(3)介質耐電壓(50Hz交流有效值)
|
規格型號 |
標準大氣條件下 |
低氣壓條件下 |
|
YW1-1 |
AC 2300V |
200V |
|
YW1-3 |
AC 1500V |
|
YW1-7 |
800V |
150V |
密封性:不小于2940KPa
機械壽命: 500次
7、系列型譜
|
接觸件直徑(mm) |
φ0.8 |
φ6 |
φ1.5 |
|
表示符號 |
● |
○ |
|
型譜圖(從插針絕緣體對接端面看)
說明:每一圖形下面的文字表示:接觸件數量—接觸件直徑。
例3-φ2.5表示該型譜為3個接觸件,直徑為φ2.5的接點排列。
|
規 格 型 號 |
型 譜 圖 |
|
YW1-1 |
 |
|
YW1-3 |
 |
|
YW1-7 |
7-Φ0.8 |
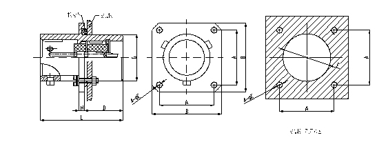
8、安裝和使用
8.1法蘭盤的安裝 
8.1.1法蘭盤安裝方式如圖所示,插座的外形及安裝尺寸如下表
|
規格型號 |
A |
B |
D |
E |
F(min) |
L |
G |
|
YW1-1 |
18±0.15 |
24 |
14.5 |
Φ3.6 |
Φ16.2 0 –0.1 |
29 |
Φ16 0 –0.1 |
|
YW1-3 |
17.5±0.1 |
22 |
14.7 |
Φ2.2 |
Φ17.2 0 –0.1 |
28 |
Φ17 0 –0.1 |
|
YW1-7 |
14±0.1 |
18 |
10 |
Φ2.2 |
Φ12.2 0 –0.1 |
21.5 |
Φ12 0 –0.1 |
8.2.1外形及安裝尺寸:插頭及其尾部附件的外形如圖所示,安裝尺寸見下表
|
規格型號 |
A |
L |
C |
|
YW1-1 |
Φ23 |
52 |
Φ8+0.1 0 |
|
YW1-1 |
Φ24.5 0 +0.1 |
14.75 |
Φ6+0.1 0 |
|
YW1-7 |
Φ19 |
38.25 |
Φ6+0.1 0 |
8.2.2安裝方法及步驟
將尾部附件從插頭上擰開并將尾螺帽擰開(如圖所示)以便電纜線穿入—電纜線從尾部附件的孔中穿入—剝線—焊線—與插頭尾部連接—將護線套或夾線板擰緊。其主要過程與步驟用下列3個圖來表示。
| | | | | | |
| 錄入時間:2012-5-20 5:37:25 【打印此頁】 【關閉】 |