

| · | 地 址: | 江蘇 泰興市大生鎮工業園 |
| · | 電 話: | (0)15052857428 |
| · | 網 址: | http://www.bjzztd.com |
YF6型圓形防雨分離電連接器
![]() ●可作瞬間電磁分離和機械分離
●連接方式為旋插及直插
●分離方式為電磁和機械解鎖,強制分離
●插座密封,并設有防火焰機構,能承受短時間高溫火焰
●產品體積小,重量輕,防雨,防塵
適用范圍
YF6型圓形防雨分離電連接器適用于戰略戰術武器系統、航天運載系統的級間電氣線路連接和系統與地面設備的電路連接,以及其它工業設備的電氣連接。
使用環境條件
工作溫度 -40℃~125℃
相對濕度 40℃±2℃時相對濕度90%~95%
工作氣壓 101.3kPa~6.67Pa
正弦振動 頻率10Hz~2000Hz 加速度100m/s2
隨機振動 0.1G2/Hz
沖 擊 加速度735m/s2
加速度686m/s2(78芯)
加 速 度 加速度250m/s2
加速度227m/s2(78芯)
防 雨 降雨量5mm/min
主要技術特性
接觸件特性
絕緣電阻
耐電壓
機械分離力 29.4N~88.3N
電磁分離 DC 28V±3V
密 封 性 0.3Mpa
0.22MPa(78芯)
機械壽命 300次
500次(78芯)
執行標準
YF6-46:Q/Ag1.063.2-2007《YF6-46圓形防雨分離電連接器詳細規范》
YF6-57:ZZR-Q/Ag1.063B-2000《YF6型圓形防雨分離電連接器詳細規范》
YF6-78:Q/Ag1.063.1-2003《YF6-78圓形防雨分離電連接器詳細規范》
型號標志
① 圓形分離電連接器
② 設計序號
③ 類別號:W-插頭為單出線口,三出線口不標注
④ 芯數:46、57、78
⑤ 電連接器類別:T-插頭,Z-插座
⑥ 接觸件類型:J-插針,K-插孔
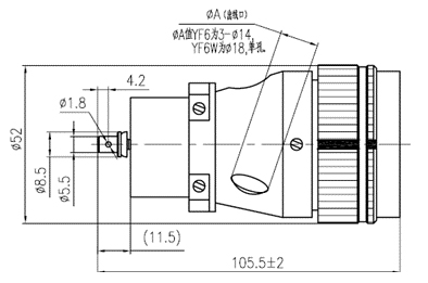
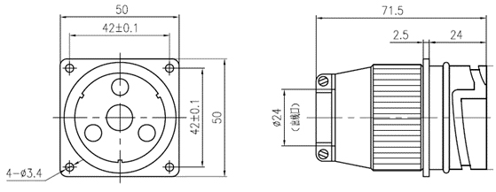
外形及安裝尺寸
插頭
![]() 插座
![]() 安裝尺寸
![]() 接觸件孔位排列(插頭插合面正視圖)
![]() ![]() 操作方法
1. 插頭與插座的插合有旋插和直插兩種。旋插前,先旋轉插頭上的連接卡帽,使其外圓上三條白色標記線中任意一條與插頭電纜罩的白色標記對齊,再對準插座上的白色標記將插頭插入插座,然后順時針轉動連接卡帽,直至連接卡帽上相鄰的另一條白色標記線與插頭、插座上的白色標記線重新成一條直線為止。直插主要用于安裝空間狹小、不便于旋插操作的場合,插合時,先使插頭上已對齊的兩白色標記與插座的白色標記成一條直線,將插頭插入插座,然后再用力將插頭直推入插座,約推進10mm,插頭、插座即鎖合在一起并完全插合到位。
2. 插頭與插座的解鎖分離有機械分離和電磁分離兩種。機械分離是在插頭拉桿端加29.4N~88.3N的力,即可解鎖。電磁分離是在插座電磁鐵線圈兩引出線端加28V±3V的直流電壓(或4A~5A的直流電流),即可解鎖。無論采用何種解鎖方式,解鎖后插頭、插座自動彈開,實現分離。
型號規格 目前已有規格品種如下:YF6-46TJ、YF6-46ZK、YF6-57TJ、YF6-57ZK、YF6W-57TJ、YF6W-57ZK、YF6-78TJ、YF6-78ZK。 | ||||||||||||||||||||||||||||||||||||||||||||||
| 錄入時間:2012-4-11 16:40:25 【打印此頁】 【關閉】 |
| 版權所有 泰興市航空電連接器有限公司 地址:中國 江蘇 泰興市大生鎮工業園 手機:(0)15052857428 網址:http://www.bjzztd.com/ |