

| · | 地 址: | 江蘇 泰興市大生鎮工業園 |
| · | 電 話: | (0)15052857428 |
| · | 網 址: | http://www.bjzztd.com |
![]() 產品名稱: Y16系列圓形電連接器 產品編號: 04 產品介紹: Y16系列圓形電連接器廣泛應用于各種電氣設備之間的電路連接。
中心螺桿連接,使用方便,鎖緊可靠,規格齊全,具有防雨、防塵、防鹽霧等功能,并有防誤插機構
使用環境條件
工作溫度 -55~+125℃ 相對濕度 40± 2℃時相對濕度92~98%
工作氣壓 101.33KPa~6.67Pa
正弦振動 10~2000Hz 加速度196 m/s2
沖 擊 加速度980 m/s2
碰 撞 加速度392 m/s2
防 雨 降雨量5mm/min
主要技術特性 接觸件特性
絕緣電阻
耐電壓
密封性(僅密封式插座) 普通插座 不大于98.07kPa
玻璃封接插座 不大于1×10-5Pal/s
機械壽命 1000次
Y16外形及安裝尺寸 插頭
螺母固定式插座
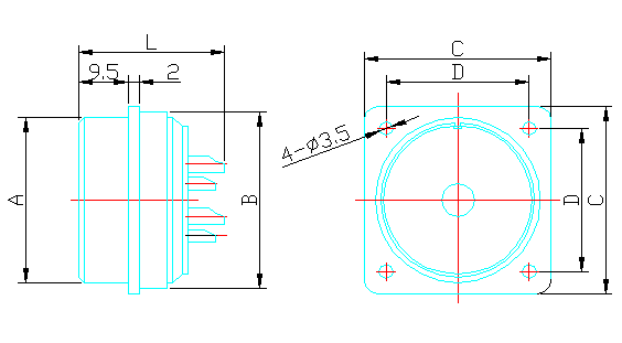
方形法蘭盤式插座 ![]()
Y16-2416方形法蘭盤穿墻式插座 ![]() Y16接觸件孔位排列 ![]() 執行標準 Q/321283LSB09-2006《Y16系列螺紋式圓形電連接器詳細規范》 型號標志 Y 16 P - 24 30 Z J 10
① 圓形電連接器 ② 設計序號
③ 類別號:P-薄殼體插頭,H-厚殼體插頭,E-玻璃封接插座
④ 殼體號:18,24
⑤ 芯數:04,05,12,14,16,16Ⅰ,30,38,48
⑥ 電連接器類別:T-插頭,Z-插座
⑦ 接觸件類型:J-插針,K-插孔,S-插針孔
⑧ 安裝形式:10-方形法蘭盤式,13-方形法蘭盤穿墻式,14-螺母并緊式
訂貨指南 合同或訂單中應注明下列內容: 1. 產品詳細規范的名稱、標準號及發布日期; 2. 完整的產品名稱、型號(包括類別、接觸件形式等); 3. 數量。 | ||||||||||||||||||||||||||||||||||||||||||||||||||||||||||||||||||||||||||||||||||||||||||||||||||||||||||||||||||||||||||||||||||||||||
| 錄入時間:2012-5-20 5:46:25 【打印此頁】 【關閉】 |
| 版權所有 泰興市航空電連接器有限公司 地址:中國 江蘇 泰興市大生鎮工業園 手機:(0)15052857428 網址:http://www.bjzztd.com/ |